Sign In | Join Free | My chinacsw.com
China Guangzhou Shice Equipment Co., Ltd. logo
Guangzhou Shice Equipment Co., Ltd.
Quality is our life.
Active Member

6 Years

Home > Plug Socket Tester >

UL498 Plug Socket Measuring Gauge

Guangzhou Shice Equipment Co., Ltd.
Contact Now

UL498 Plug Socket Measuring Gauge

Brand Name : SHC

Model Number : SC-UL498

Certification : CNAS、TUV、ITS、CSA、BV、SGS (cost additional)

Place of Origin : China

MOQ : 1 piece

Price : USD 50-2000 piece

Payment Terms : T/T, Western Union, MoneyGram, L/C

Supply Ability : 999 pieces per month

Delivery Time : in 15 work days

Packaging Details : Plastic Tool Box

Material : Mold steel

Standards : UL 498

Figure 9.1 : Articulate probe with web stop

Figure 98.1 : Improper insertion test blades

Figure 109.2 : Test blade

Figure 123.3 : 57g ground pin

Figure 136.1 : Small test probe

Figure 165.2 : Fixture for assembly security test

Contact Now

UL498 Plug And Socket Measuring Gauge For Retention Of Blades Test


Gauge list:

NO.

Product Name

Standard Figure

Model

Old Version

New Version

1Articulate probe with web stopFigure 9.1Figure 9.1U8-F91
2ProbeFigure 10.1Figure 10.1U8-F101
3Flat probeFigure 31.1Figure 31.1U8-F311
4Reference plugFigure 69.1Figure 73.1U8-F691
5Typical test apparatusFigure 69.2Figure 73.2U8-F692
6Improper insertion test bladesFigure 94.1Figure 98.1U8-F941
7Test plugFigure 105.1Figure 109.1U8-F1051
8Test bladeFigure 105.2Figure 109.2U8-F1052
9Receptacle test fixtureFigure 118.1Figure 122.1U8-F1181
10Push out toolFigure 118.3Figure 122.3U8-F1183
11BridgeFigure 118.5Figure 122.5U8-F1185
12Test pin AFigure 119.1Figure 123.1U8-F1191
13Test pin BFigure 119.2Figure 123.2U8-F1192
1457g ground pinFigure 119.3Figure 123.3U8- F1193
15113g ground pinFigure 119.4Figure 123.4U8- F1194
16No.14AWG test pinFigure 129.2Figure 133.2U8-F1292
17Small test probeFigure 132.1Figure 136.1U8-F1321
18Fixture for assembly security testFigure 144.2Figure 165.2U8-F1442
19Standard grounding pinFigure SD 5.1Figure SD 5.1U8-SD51
20Standard grounding pinFigure SD 13.1Figure SD 13.1U8-SD131
21Oversize grounding pinFigure SD 13.2Figure SD 13.2U8-SD132

UL498-2012 Figure 109.1 1
UL498-2012 Figure 109.1 1
UL498-2012 Figure 109.2 1
UL498-2012 Figure 123.3 1
UL498-2012 Figure 123.4 1
109 Retention of Blades Test
109.1 A flush or self-contained receptacle having a 5-15R, 5-20R, 6-15R, or 6-20R configuration shall be
subjected to the retention of blades test described in this Section.
Exception: A receptacle having a 1-15R, 5-15R, 5-20R, 6-15R, or 6-20R configuration and not of the
flush or self-contained type may instead be subjected to the Retention of Plugs Test, Section 114.
109.1 revised November 16, 2012
109.2 Receptacles having the break-off tab, when provided, removed from one nonidentified terminal are
to be subjected to ten conditioning cycles of manual insertion and withdrawal of a standard gauge, see
Figure 109.1. Each of six devices is to be tested. The gauge is to be configured as outlined in Table 109.1.
The force applied to insert the gauge for any of the conditioning cycles is not to exceed 40 lbf (178 N).
The gauge is to have the dimensions indicated in Figure 109.1 but is not to have holes in the outer ends
of the blades.
Figure 109.1 Test gauge
NOTES
1) Blades shall be made of tool steel, Rockwell Hardness C58 to C60.
2) All sharp edges shall be removed to a radius of 0.016 to 0.020 inch. Ends of all flat blades bevelled as shown in the end of
blade detail.
3) Blade surfaces shall not exceed a 32 microinch finish grind in a direction perpendicular to the major axis. Finish is to be
determined visually using a comparative method and 10 X optical magnification.
4) All blade hole positions are located on the centerline of the blades.
5) R designates radius. All dimensions are in inches.
6) Flat blade positions shall be modified to suit configurations 5-20 and 6-20.
Table 109.1 Test gauge configurations for conditioning
Device under test Test gauge No. of devices tested
5-15R 5-15P 6
5-20R 5-15P 3
5-20P 3
6-15R 6-15P 6
6-20R 6-15P 3
6-20P 3
109.3 The standard gauge is to be configured as shown in Table 109.2 using the line blades without
holes and with the grounding blade removed. The gauge is then to be inserted in the receptacle and a
static 3 lbf (13.3 N) (including the weight of the gauge), which tends to remove the gauge from the
receptacle, is to be applied for a period of 1 minute in a direction normal to the plane of the face of the
receptacle. There shall not be more than 0.079 inch (2 mm) displacement of the gauge.
Table 109.2
Test gauge configurations for retention testing
Device under test Test gauge No. of devices tested
5-15R 1-15P or 5-15Pa 6
5-20R 1-15P or 5-15Pa 3
5-20Pa 3
6-15R 2-15P or 6-15Pa 6
6-20R 2-15P or 6-15Pa 3
2-20P or 6-20Pa 3
a Test gauge having grounding blade removed.
109.4 The standard gauge is to be configured as shown in Table 109.3 using the line blades with holes
in the end and with the grounding blade in place. The gauge is then to be inserted in the receptacle and
a force applied in a direction normal to the plane of the face of the receptacle that tends to remove the
gauge. The static force required to withdraw the gauge shall not exceed 15 lbf (67 N) (including the weight
of the gauge).
109.2. Each line contact shall be capable of withstanding for 1 minute a static 0.5 lbf (2.2 N) applied to
the test blade in a direction normal to the plane of the face of the specimen and in a direction that tends
to remove the test blade, when the test blade is fully inserted in the contact opening. There shall not be
more than 0.079 inch (2 mm) displacement of the test blade.
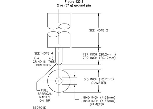
Figure 123.3
2 oz (57 g) ground pin
Material: Pin-Steel, Rockwell Hardness C58 to C60.
Handle – cold rolled steel
NOTES
1) The ground pin is to be fastened to handle in rigid manner.
2) Length not specified. Total tool weight 2 oz (57 g).
3) Axis of blade and axis of handle, must have combined concentricity and axial alignment of 0.006 maximum at tip of pin.
4) The blade surfaces shall not exceed a 32 microinch finish grind in a direction perpendicular to the major axis.
Finish is to be determined visually using a comparative method and 10 X optical magnification.
Figure 123.4
4 oz (113 g) ground pin
Material: Pin-Steel, Rockwell Hardness C58 to C60.
Handle – cold rolled steel
NOTES
1) The ground pin is to be fastened to handle in rigid manner.
2) Length not specified. Total tool weight 4 oz (113 g).
3) Axis of blade and axis of handle, must have combined concentricity and axial alignment of 0.006 maximum at tip of pin.
4) The blade surfaces shall not exceed a 32 microinch finish grind in a direction perpendicular to the major axis.
Finish is to be determined visually using a comparative method and 10 X optical magnification.

Application:
Shice equipment offers a wide range of gauge to meet the most common standards including those from IEC, EN, UL, DIN, VDE and others. Such standards require the checking of size & definition etc. these gauges are constructed from senior stainless steel and appropriate steel with a hardness of at least 52-58 HRC and a roughness according to standard require. Each gauge is supplied with a certificate of calibration.

Conforms To:
UL498

UL498 Plug Socket Measuring GaugeUL498 Plug Socket Measuring GaugeUL498 Plug Socket Measuring GaugeUL498 Plug Socket Measuring Gauge









Product Tags:

UL498 Plug Socket Measuring Gauge

      

Mold Steel Plug Socket Measuring Gauge

      

UL498 Plug Socket Tester

      
Quality UL498 Plug Socket Measuring Gauge for sale

UL498 Plug Socket Measuring Gauge Images

Inquiry Cart 0
Send your message to this supplier
 
*From:
*To: Guangzhou Shice Equipment Co., Ltd.
*Subject:
*Message:
Characters Remaining: (0/3000)
 
Inquiry Cart 0